EW10 Omslag 600
Mei 2025

Elektrische installaties in de tuin

Hot topic

48 01

Elektrische installaties en apparatuur worden in toenemende mate in de tuin toegepast. Denk daarbij aan terrasverwarming, een zwembad en tuinsauna. In Nen 1010 staan verschillende eisen beschreven voor ­elektrische installaties in de tuin. Hoe zit het met het aansluiten van deze en andere apparatuur in de tuin?

Nen 1010, bepaling 411.3.3, vermeldt: ‘Verplaatsbaar materieel dat buiten wordt toegepast met een toegekende stroom van maximaal 32 A moet aanvullende bescherming hebben met aardlekschakelaars ΙΔn 30 mA. Dit geldt ook voor alle aansluitpunten in de tuin waarop verplaatsbaar elektrisch materieel kan worden aangesloten. Denk daarbij bijvoorbeeld aan een tuinzuiltje of contactdoos op de buitengevel voor een elektrische barbecue, verlichting of grasmaaier.

Vaste aansluitpunten

Vaste aansluitpunten kunnen bijvoorbeeld worden toegepast voor verlichtingsarmaturen op de gevel of bijvoorbeeld terrasverwarming. Vaste aansluitpunten voor buiten hoeven niet te worden beveiligd door een aardlekschakelaar ΙΔn 30 mA.
Als de circuitimpedantie (Zc) groter is dan de waarden in tabel 1, is het wel noodzakelijk een aardlekschakelaar toe te passen voor foutbescherming. Een ΙΔn 300 mA is dan een (veel) betere keuze dan een Ιn 30 mA. Is de circuitimpedantie voldoende laag, dan is geen aardlekschakelaar verplicht.
Opmerking: ΙΔn 30 mA aardlekschakelaars hebben als nadeel dat ze onbedoeld uitvallen, bijvoorbeeld door te veel lekstroom (capacitieve stroom), maar ook door vocht en condens in elektrisch materieel buiten. In de tuin is dit een veel voorkomend probleem. Het is daarom raadzaam om wat niet moet worden beveiligd door een ΙΔn 30 mA aardlekschakelaar, door een ΙΔn 300 mA aardlekschakelaar te beveiligen.
Als er meerdere toestellen worden aangesloten is het noodzakelijk om de tuininstallatie op te delen in meerde eindgroepen om onbedoeld uitschakelen van aardlekschakelaars te voorkomen (Nen 1010, bepaling 536.4.1.4.2).

Ιn overstroombeveiliging
(betreffende groep in meterkast waarop tuinapparatuur is aangesloten)

Zc maximaal (Ω) - Als Zc groter is dan onderstaande impedantie, dan is wel een aardlekschakelaar vereist (meten bij aansluitpunt toestel, bijvoorbeeld op wcd)

B16 automaat

2,90

C16 automaat

1,45

16 A gF smeltpatroon

3,00

16 A gG smeltpatroon

2,30

Tabel 1. Maximale circuitimpedantie bij overstroombeveiliging.

 

 Zone

 Beschrijving

0

Geen schakel-, beveiligings- of besturingsmaterieel. Toegepast materieel (bijvoorbeeld verlichting) alleen SELV-ketens 
U ≤ 12 VAC of 30 VDC toegestaan. Minimaal IP X8.

1

Alleen SELV-ketens U ≤ 12 VAC of 30 VDC. Minimaal IP X5. Let op: in deze zone dus geen wcd’s of 230 V armaturen.

2

Gevoed door SELV-ketens, S-keten of een Ιn 30 mA RCD. Minimaal IP X5.

Tabel 2. Zone-indeling bij zwembaden

 

 Zone

 Beschrijving

0

Alleen de saunakachel toegestaan (vast aangesloten) volgens instructie fabrikant

1

Geen bijzondere eisen aan materieel in relatie tot de temperatuur.

2

Elektrisch materieel en toestellen moeten bestand zijn tegen temperatuur van 125 °C, de bedrading tegen 170 °C

Tabel 3. Zone-indeling bij ruimtes en cabines met een saunakachel.

 

48 02Een 230 V tuinzuiltje.

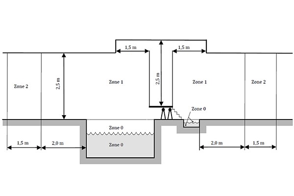
Zwembaden

In Nen 1010, bepaling702, zijn aanvullende eisen gesteld voor elektrische installaties en apparatuur in en nabij waterbassins, zoals een zwembad, jacuzzi of hot-tub. De ruimte is ingedeeld in zones. Voor elke zone zijn specifieke eisen beschreven aan het toegepaste elektrische materiaal. In tabel 2 is een summiere weergave hiervan beschreven (zie Nen 1010, bepaling 702, voor de volledige eisen).
Eventuele vreemd geleidende delen in zone 0, 1 en 2 moeten onderling worden vereffend met de aardingsvoorziening van de elektrische installatie waarop ook de metalen gestellen zijn aangesloten. Voorbeelden van vreemd geleidende delen zijn een metalen gebouwterras-constructie, metalen wapening van het bassin, metalen leidingen voor douches, drinkwater, verwarming en dergelijke.

48 03Zone-indeling volgens Nen 1010, bepaling 702.

Sauna

In Nen 1010, bepaling 703, zijn aanvullende eisen gesteld voor elektrische installaties en apparatuur in ruimten en cabines met een saunakachel. De ruimte is ingedeeld in zones. Voor elke zone zijn specifieke eisen beschreven aan het toegepaste elektrische materiaal. In tabel 3 is een summiere weergave hiervan beschreven (zie Nen 1010, bepaling 703, voor de volledige eisen).
Alle stroomketens in de sauna moeten zijn beveiligd door een ΙΔn 30 mA aardlekschakelaar, behalve de saunakachel. Schakel-, besturings- en beveiligingsmaterieel voor de besturing van de kachel mag in de ruimte worden geïnstalleerd, overig schakelmaterieel, zoals de bediening voor de verlichting, niet. Dat moet buiten de saunaruimte of -cabine worden geïnstalleerd.
Leidingen moeten worden aangelegd in de koele zones (bodem, lage wanden en dergelijk). Als dat niet kan dan moet de bedrading bestand zijn tegen 170 °C

48 04Zone-indeling in ruimten en cabines met een sauna, volgens Nen 1010.

Kabels in de tuin

Leidingen die in de grond worden gelegd, moeten zo worden aangelegd, dat de kans op beschadiging minimaal is. Hiervoor zijn verschillende mogelijkheden beschreven in Nen 1010:
1. Een (niet gearmeerde) kabel voldoende, minimaal 50 cm (bepaling 522.8.10.1), diep leggen (bijvoorbeeld YMvK of XMvK).
2. Een (niet gearmeerde kabel) mechanisch beschermen door een (mantel)buis, afdekplaten of wellicht de aanwezige bestrating (bijvoorbeeld YMvK, XMvK).
3. Een gearmeerde kabel toepassen: kabel met gevlochten aardscherm, die vaak als grondkabel wordt betiteld (bijvoorbeeld YMvKas, XMvKas).
Voor elke mogelijkheid geldt, dat er boven de leiding een kabelafdekking of een markeringslint moet worden ingegraven. Zo wordt een toekomstige graver geattendeerd op de aanwezigheid van een leiding in de onderliggende grond.

48 05Foutieve en correcte verbinding.

Elektrische verbindingen

Verbindingen tussen geleiders onderling en ander materieel moeten blijvend elektrisch en mechanisch betrouwbaar zijn (Nen 1010, bepaling 526). Verbindingen moeten ook bereikbaar zijn voor inspectie, beproeving en onderhoud. Een uitzondering hierop geldt voor verbindingsconstructies die specifiek bedoeld zijn om in de grond toe te passen, zoals kabelmoffen of met compound gevulde constructies.
Opmerking: Om de elektrische installatie, ook voor jaren later, overzichtelijk en onderhoudbaar te houden, is het bovengronds plaatsen van lasdozen aan te bevelen. Tuininstallaties staan er namelijk om bekend dat ze regelmatig storingen veroorzaken.

Tekst en fotografie: Anton Kerkhofs
Fotografie: Lumimania, Eurom, Heijboer, Nostalux Selectie

 

In deze rubriek, tot stand gekomen in ­samenwerking met de afdeling Techniek & Markt van Techniek ­Nederland, behandelen wij actuele technische onderwerpen waar installateurs in hun vak mee te maken kunnen krijgen. Heeft u ook een Hot topic? Stuur hem dan naar media@technieknederland.nl. 

 

Lees meer artikelen in het dossier Laagspanningsinstallaties